Informacije o proizvodu
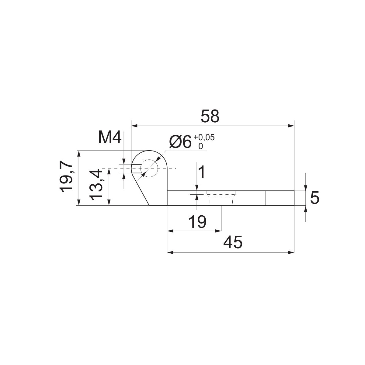
Metalna srebro mat šarka za izradu staklenih vrata sa aluminijumskim štok profilima bez pervajza.
Metalna srebro mat šarka je predviđena za staklo debljine od 6mm do 10mm.
Nosivost metalne šarke je 45kg po paru.
Maska srebro mat metalne šarke poručuje se posebno.










































































