Informacije o proizvodu
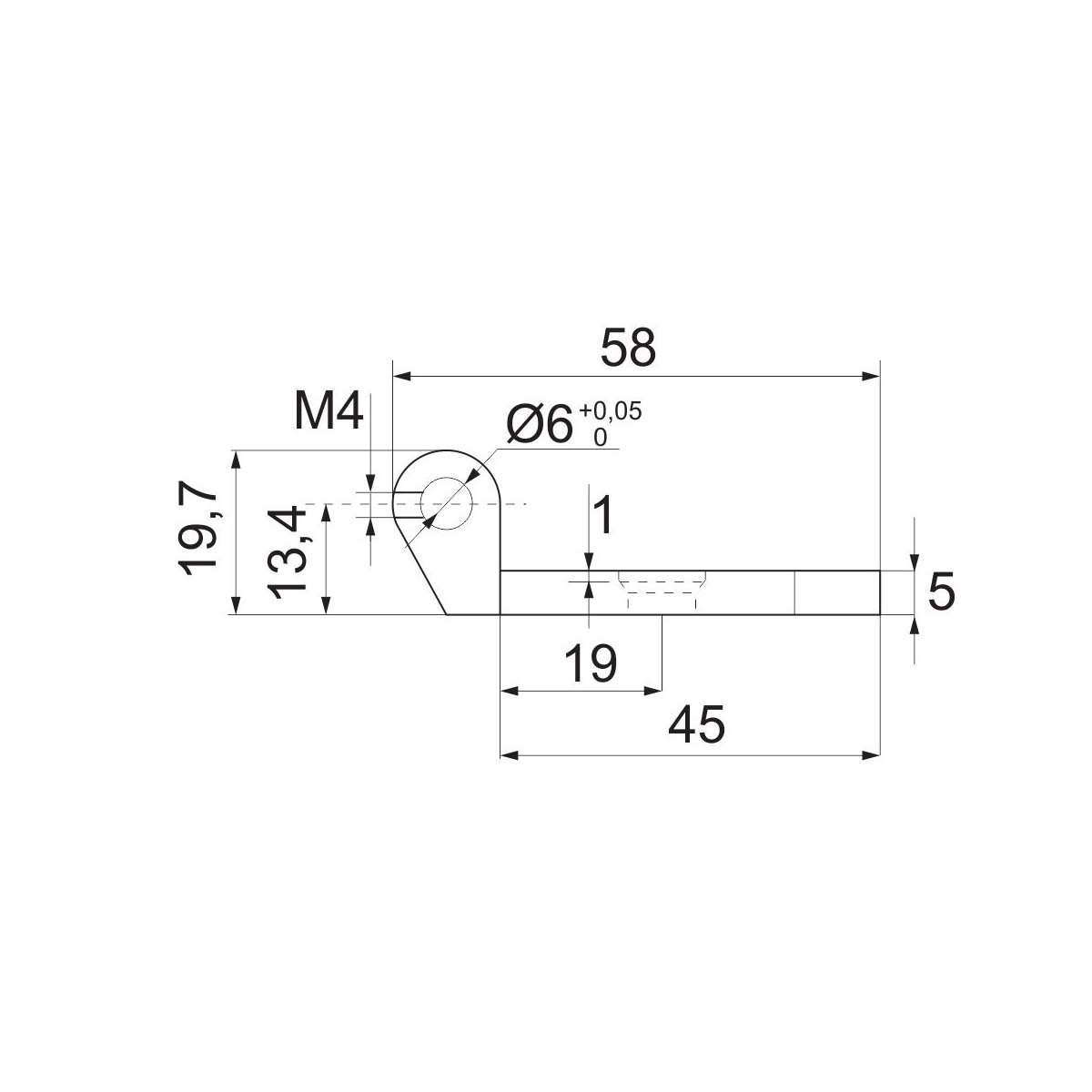
Metalna Inox šarka za izradu staklenih vrata sa aluminijumskim štok profilima bez pervajza.
Metalna Inox šarka je predviđena za staklo debljine od 6mm do 10mm.
Nosivost metalne šarke je 45kg po paru.
Maska Inox metalne šarke poručuje se posebno.










































































